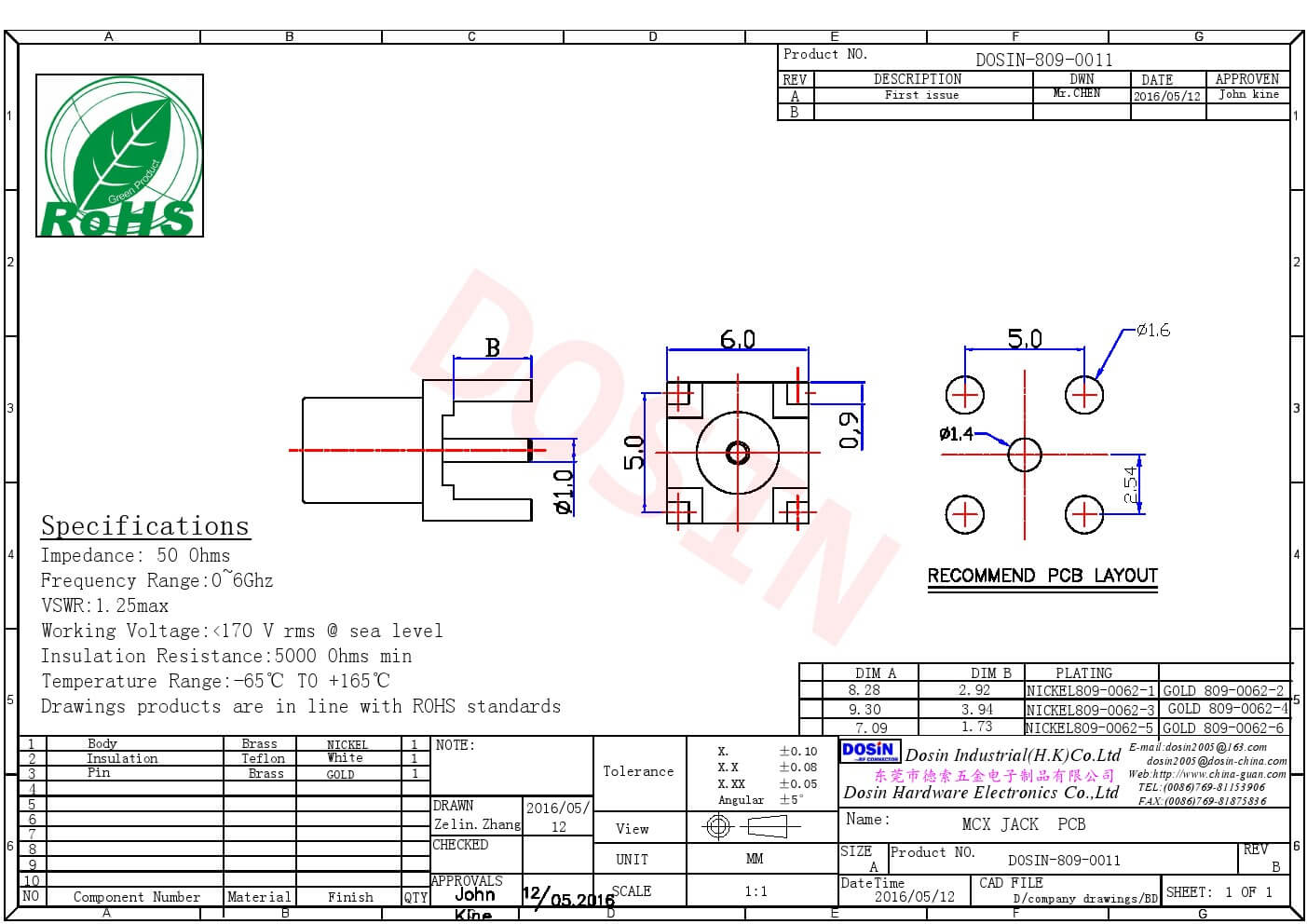
電路板連接器mcx射頻同軸 直式鍍金PCB板端
料號:?DOSIN-809-0011
標簽:?PCB板端,直式,mcx連接器,射頻同軸
材料:黃銅/鐵氟龍/鍍金/鍍鎳
產品特點:
產品規格
電氣性能
| 阻抗 | 50 ohm |
| 頻率范圍 | 0~6 GHz |
| 電壓駐波比 | 直式 ≦ 1.3max / 彎式≦ 1.5max |
| 耐電壓 | 1000 V rms |
| 工作電壓 | 355 V rms |
| 中心接觸電阻 | ≦ 5.0 mΩ (Milliohms max.) |
| 外接觸電阻圍 | ≦ 1.0 mΩ (Milliohms max.) |
| 絕緣電阻 | ≧ 1000 mΩ |
機械性能
| 耦合方式 | 推入式 |
| 保持力 | 4 lbs min |
| 機械壽命 | 大于500次(使用鈹銅中心時) |
環境性能
| 環境溫度 | Teflon -65°C ~ +155°C |
| 振動 | MIL-STD-202 Meth.204 |
| 耐腐蝕性 | MIL-STD-202 Meth. 101 |
產品圖紙
包裝與運輸




