N型連接器是一種中等大小的螺紋RF射頻連接器,用于連接同軸電纜。是最早的能夠傳輸微波頻率信號的連接器之一,在20世紀40年代由貝爾實驗室的保羅·尼爾爾發明,并在當時被命名。廣泛引用于航天和工防、醫療、商用汽車、通訊、電信、廣播電子、WIFI網絡及工業領域中的機器對機器通信等等。
德索五金是專業的N型接頭、N型接口、N型連接器生產廠家,供應各種常見N頭連接器,更多未列出N頭連接器產品,請聯系我們索取更詳細資料。
- 依據國際MIL-C-39012,CECC22120和IEC60169-8標準生產。N型接頭產品設計合理緊湊,減少安裝空間;
- 頻率高達DC-11GHz,阻抗為50歐姆;
- N型接頭螺紋連接方式保證在振動環境中的耐用性和使用穩定性;
- 中等尺寸,應用于工防、工業和消費電子;
N型連接器產品展示

N型母頭連接器彎式PCB板安裝四孔法蘭鍍鎳插板

n型同軸連接器直式180度穿墻公頭公針壓接式接線

法蘭n型射頻接頭母頭直式4孔法蘭面板安裝

n型公頭接頭直式壓接式連接器接同軸線纜

N型連接器防水直式母頭螺母鎖緊接線

N同軸連接器公頭直式螺母鎖緊接線

同軸終端負載N頭直式公座連接器

優質射頻同軸連接器N型直式公頭螺母鎖緊

N型射頻同軸連接器系列直式公頭公針焊接式接線

N頭法蘭式連接器直式母頭轉接頭四孔法蘭

防水接頭連接器N型直式母頭穿墻防水壓接

專業射頻同軸連接器N型直式母頭母針螺母鎖緊

帶法蘭連接器母端N頭直式四孔法蘭焊接式

N型連接器焊接接同軸線纜直式母頭四孔法蘭

n型射頻同軸法蘭連接器公頭帶防水圈

射頻接口N型母頭180度直式螺母鎖緊接口
N型連接器產品界面
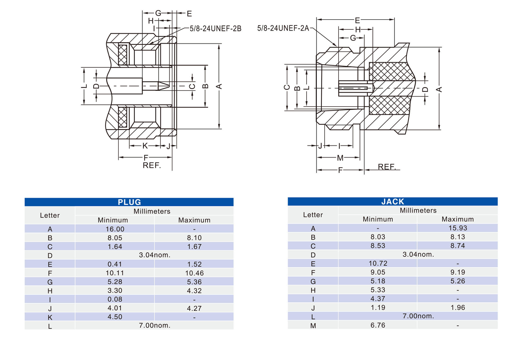
N型連接器技術性能&規格參數
N型接頭電氣性能
- 阻抗:50 ohm
- 頻率范圍:0~6 GHz
- 電壓駐波比:直式 ≦ 1.3max / 彎式≦ 1.5max
- 耐電壓:2500 V rms
- 工作電壓:1000 V rms
- 中心接觸電阻: ≦ 1.0 mΩ (Milliohms max.)
- 外接觸電阻:≦ 0.2 mΩ (Milliohms max.)
- 絕緣電阻:≧ 5*103 mΩ (Megohms min.)
N型接頭機械性能
- 耦合方式:5/8-24螺紋
- 保持力:6 lbs min.
- 連接螺母扭矩: 30 in-lbs. min.
- 機械壽命:大于500次 (使用鈹銅接觸件時)
N型接頭環境性能
- 環境溫度:-55°C ~ +165°C ( PE線纜-40°C ~ +85°C )
- 振動:MIL-STD-202 Meth.204
- 耐腐蝕性:MIL-STD-202 Meth. 101

