SMA連接器是一種應用廣泛的小型螺紋連接的同軸連接器,它具有頻帶寬、性能優、高可靠、壽命長的特點。SMA連接器適用于微波設備和數字通信系統的射頻回路中連接射頻電纜或微帶線。主要應用于航天和工防:手持現場設備、儀表,醫療:儀表,商用汽車:藍牙、GPS,通訊、電信:基站,數據、通信:WIFI網絡、無線城域網(WiMAX),工業:主動/被動組件, 儀表,機器對機器通信。
德索電子是專業sma接頭、sma接口、SMA連接器生產廠家,各種規格SMA連接器,更多未列出SMA產品,請聯系我們索取更詳細資料。
- SMA接頭高性能電子連接器,最高可達18GHz,低反射;
- SMA接頭螺紋型鎖緊方式保證產品的損耗和高安全性,設計緊湊;
- SMA接頭小尺寸接頭適用于更小的安裝空間和更廣泛的應用場景;
SMA連接器產品展示
SMA連接器產品界面
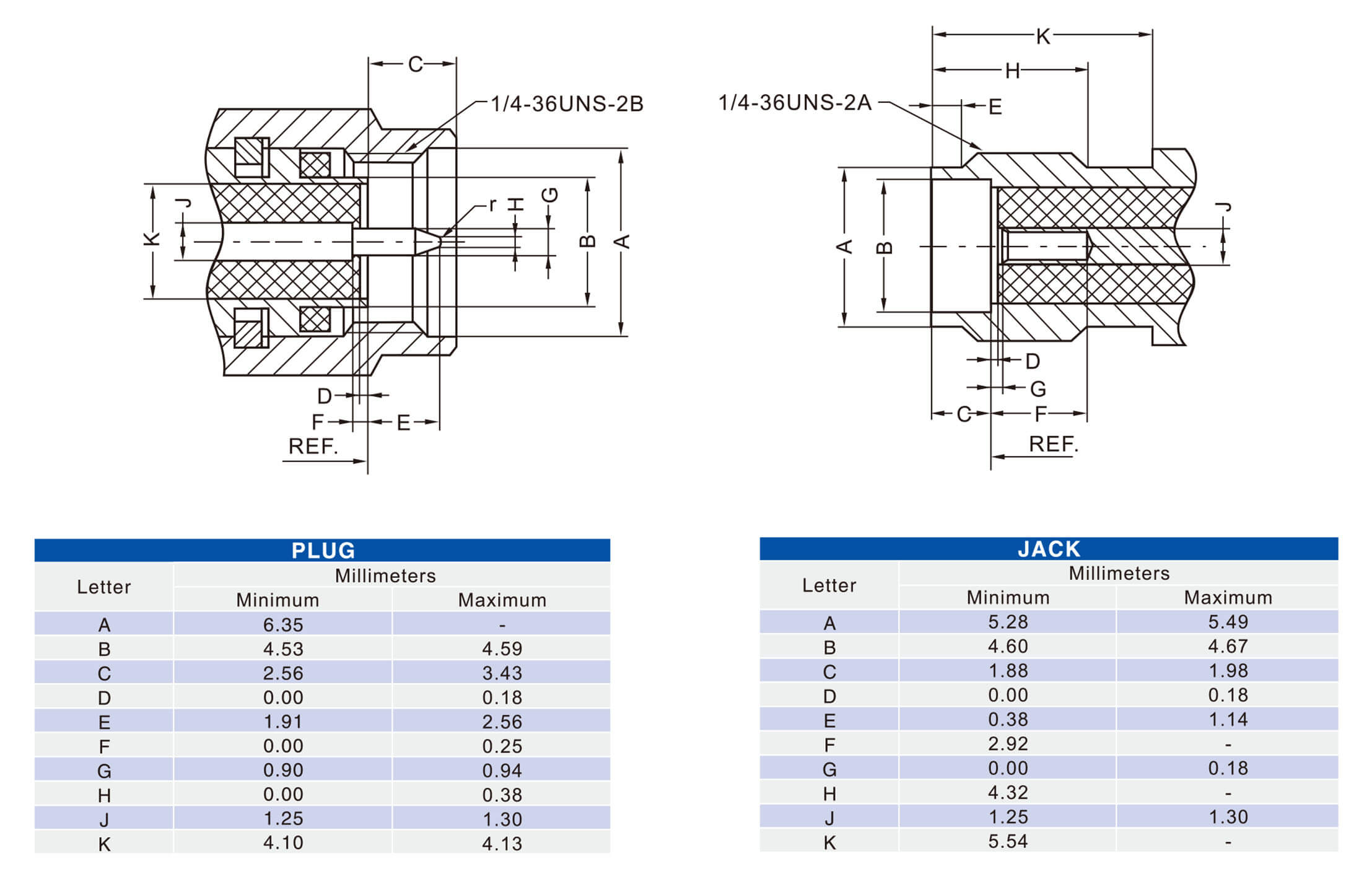
SMA連接器技術性能&規格參數
SMA接頭電氣性能
- 阻抗:?50 ohm
- 頻率范圍:0~6 GHz
- 電壓駐波比:直式 ≦ 1.3max / 彎式≦ 1.5max
- 耐電壓:接RG142,RG405線纜時為1000 V rms
接RG316,RG402線纜時為750 V rms
接RG142,RG405線纜時為500 V rms - 工作電壓:接RG142,RG405線纜時為500 V rms
接RG316,RG402線纜時為375 V rms
接RG142,RG405線纜時為170 V rms - 中心接觸電阻:≦ 6.0mΩ (Milliohms max.)
- 外接觸電阻:≦ 2.0 mΩ (Milliohms max.)
- 絕緣電阻:≧ 5*103 mΩ (Megohms min.)
SMA接頭機械性能
- 耦合方式:1/4-36螺紋鎖緊
- 保持力:15 lbs min.
- 連接螺母扭矩: 30 in-lbs. min.
- 配接耐久性:大于500次 (使用鈹銅接觸件時)
SMA接頭環境性能
- 溫度范圍:-65°C ~ +165°C
- 振動:MIL-STD-202 Meth.204
- 抗腐蝕性:MIL-STD-202 Meth. 101













