一個連接器廠家的制造水平直接關系到產品的質量,因此如何提高工廠的制造水平是很多制造企業較為關心的課題,那么到底東莞連接器廠家制造水平如何提高呢,下面德索五金電子就來談一談我們的想法。
(任意連接器產品,均可定制,電話:400-6263-698)
在電子行業中,大量的使用連接器零器件產品,這就要求各大廠商不斷提升產品質量以及生產效率,才能在激烈的競爭中賺取一點機會,所以作為東莞的連接器廠家,提升自身的制造水平就尤為必要。連接器制造工藝技術創新是如今連接器行業發展前進的動力,而連接器技術創新是要有大膽設想的思維,勇于嘗試求證的結果,還有逆向思維的技巧。
不只連接器行業如此,可以說在所有行業都可以從制造工藝和產品材料等幾個方面來進行創新性思維實踐和開發。比如說現在很多連接器制造商在連接器電鍍生產工藝效率上會遇到瓶頸,因此,提高產品的電鍍生產效率是連接器電鍍工藝中一個重要的問題。還有在制造時用什么樣的材料來生產產品也是影響連接器質量的一個主要因素。
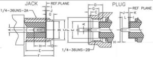
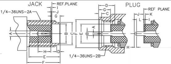
(德索部分射頻產品展示)
現今那些大的連接器制造商都已采用全自動的電鍍生產線工藝來生產,如今適用連接器電鍍工藝的生產線有:振動電鍍生產線、帶料(線材)生產線和滾鍍生產線等;隨著電子行業技術創新的發展,連接器產品在應用對象、頻率、功率和應用環境不同時,會有各種不同形式的連接器產品類型劃分。比如說在通信設備上的連接器作為一種物理層器件,在一定程度上影響傳輸系統的可靠性和各項性能。
國內連接器制造工廠有近千家,在連接器的創新工藝和連接技術得到改進的同時,還簡化了終端連接和維護服務,降低了對硬線連接的需求,使設計和生產過程更方便、更靈活,降低了生產和維護成本。行業內的專家還表示,將新的產品材料、新的技術和新的工藝源源不斷地向連接器的產品制造領域滲透,提高國內連接器的制造水平是所有的連接器廠家都需要關心的問題。
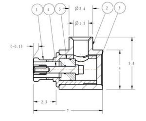
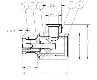
(圖片由特聘攝影師原創拍攝)
關于“東莞連接器廠家制造水平如何提高”就介紹到這了,后續我們會發布更多相關主題的文章在資訊頻道上供您免費查閱。如需采購電子連接器相關的產品,您可以撥打德索免費熱線電話:400-6263-698,專業工防師為您服務。德索電子,是一家專業的連接器制造商,有著十四年的技術沉淀,各大生產線成熟,可快速完成用戶的訂單生產需求,產品通過了ISO認證,一年質保,值得您的信賴。
東莞連接器專題地址:http://m.shangxuncn.com/category/changjia/dongguan-ljq/

















